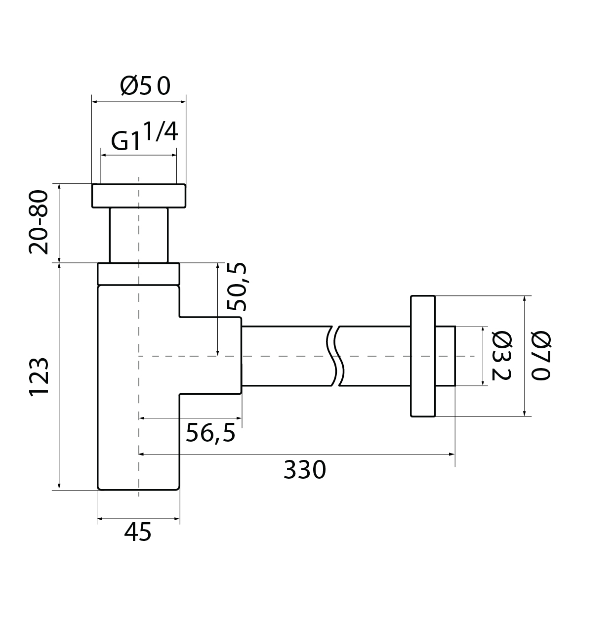
Sifão Lavatório

Sifão de lavatório

Descrição

Cores disponíveis: Cromado, Branco mate, preto mate, titânio, cobre, ouro e niquel